- Prodotti: Estrattori Fumi e ventilatori aria calda
- Applicazioni - Riscaldamento: Sistemi di riscaldamento convenzionali e biomassa
GR PRESSOFUSO
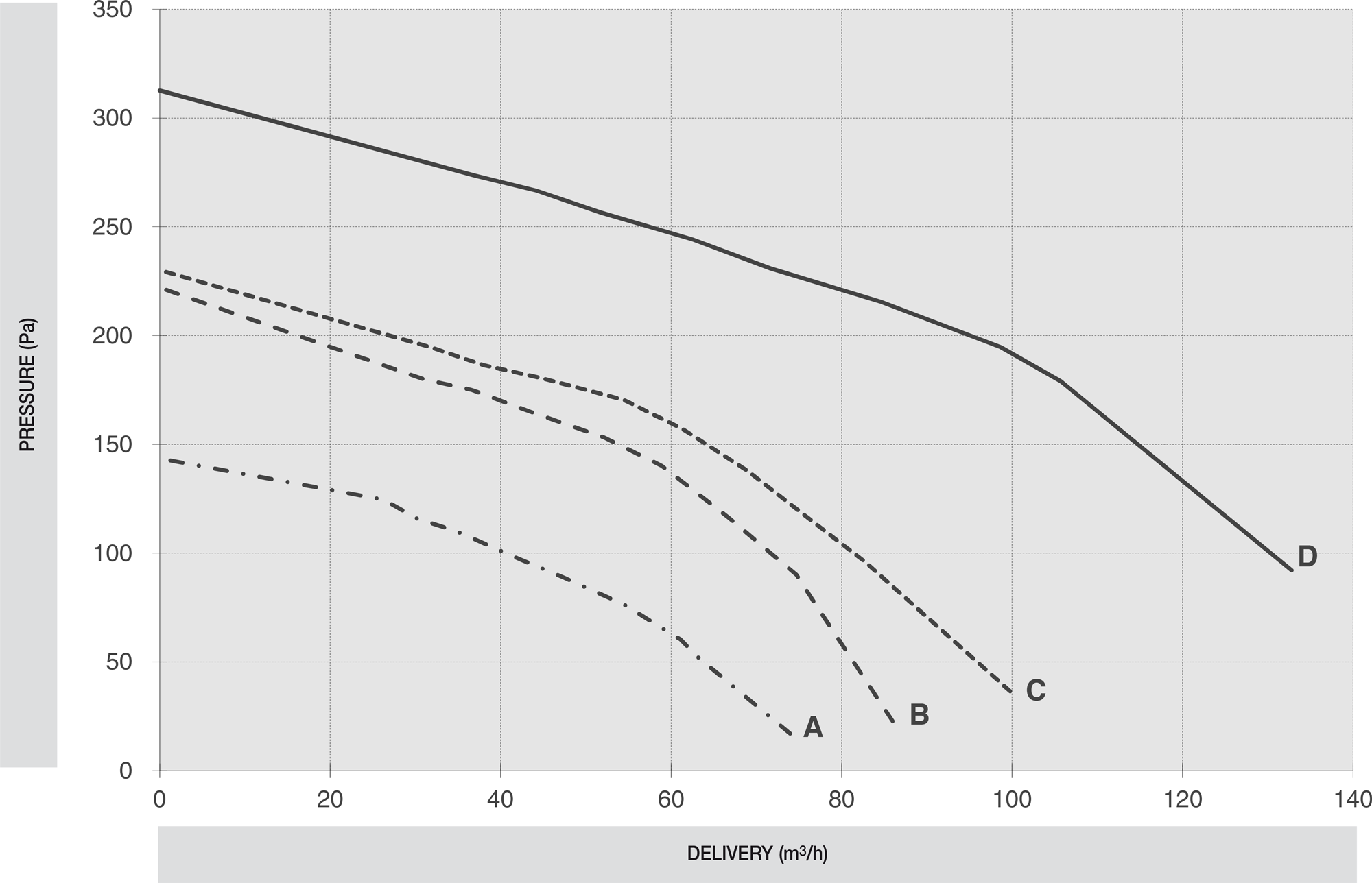
Estrattori di gas esausti il cui scopo è quello di fornire il corretto flusso d’aria per una combustione efficiente. L’ampio range di potenza consente al cliente di scegliere la soluzione ottimale per ogni tipo di applicazione. I ventilatori possono essere equipaggiati con differenti sistemi di fissaggio ed accessori per la misura del segnale di pressione e velocità di rotazione.
Caratteristiche Tecniche
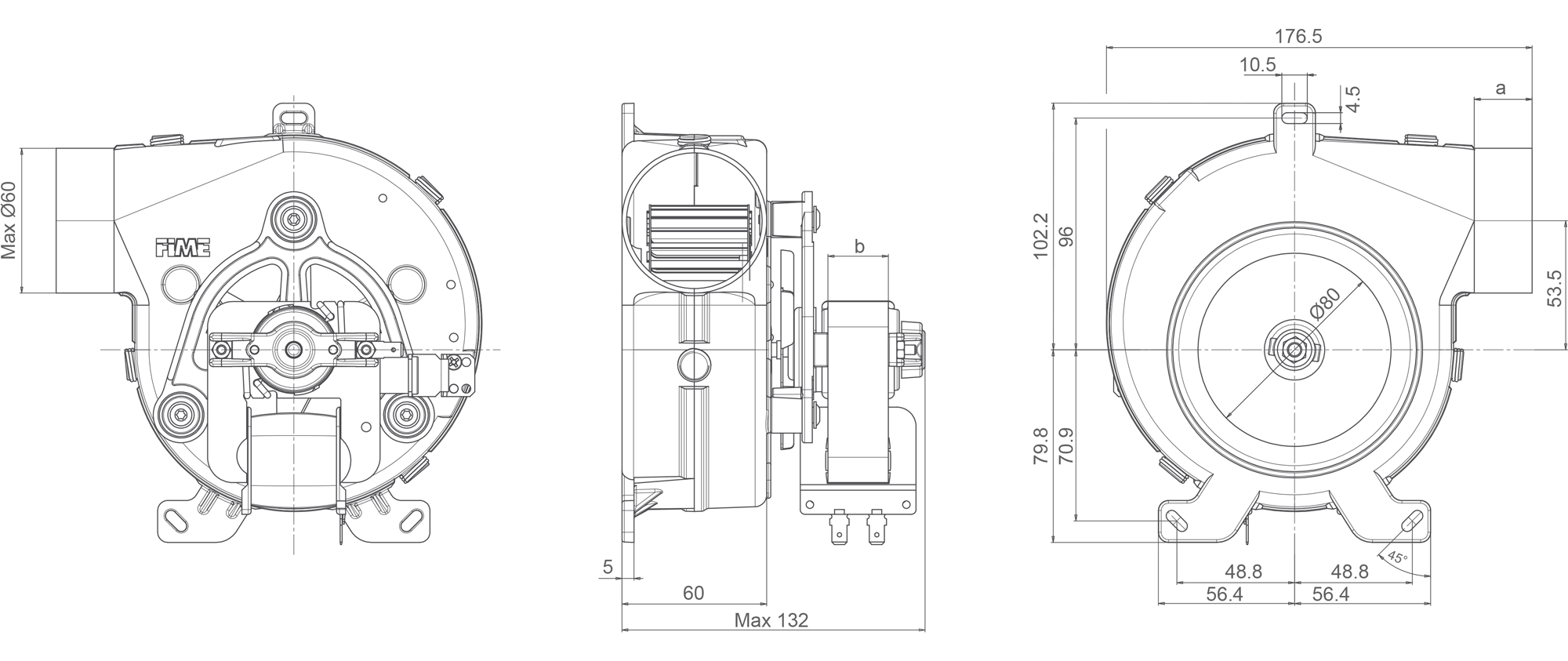
| Coclea | Alluminio pressofuso |
| Sistema di fissaggio | staffe, baionetta, viti |
| Rotazione | Oraria / Antioraria |
| Uscita | Ø 50 – 60 mm Lunghezza del boccaglio variabile su richiesta |
| Range Temperatura di esercizio | Temperatura ambiente: 0°C / 85°C Massima temperatura dei fumi: 180°C |

