- Prodotti: Motori a poli schermati
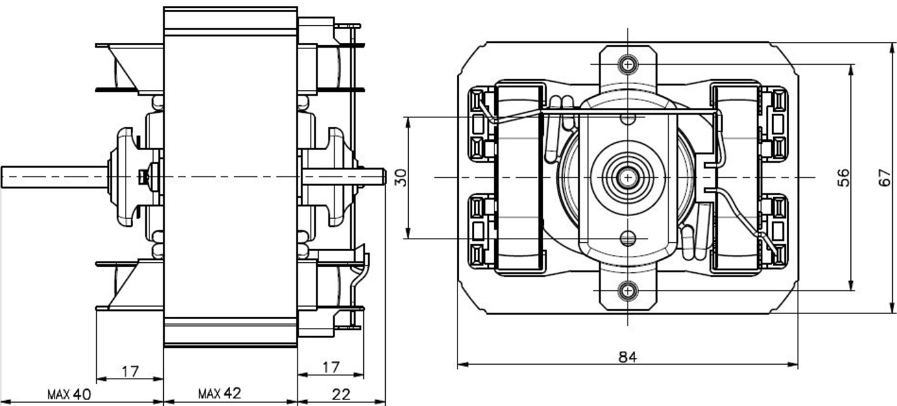
Motori K
Motori a poli schermati utilizzati in particolar modo in sistemi di ricircolo aria e cappe aspiranti.
Disponibili in diverse configurazioni elettriche e meccaniche.
Caratteristiche Tecniche
| Tecnologia | Motore a poli schermati |
| Alimentazione | 220 V – 240 V |
| Rotazione | Oraria /Antioraria |
| Sistema di Fissaggio | Viti su supporto motore |
| Classe di isolamento | F (EN 60335) |
| Range Temperatura di lavoro | 10 °C / 50 °C |
| Grado di protezione | IP00 |
| Accessori | Disponibili diverse tipologie di giranti e supporti motore. Connettori e cablaggi customizzabili su richiesta |
